当前位置:自动化网>北京熠新科技有限公司门户>应用案例>DN6.65x-48通道16bit 125MS/s任意波形发生器

DN6.65x-48通道16bit 125MS/s任意波形发生器

发布时间:2025-12-24 14:38   类型:应用案例   人浏览

DN6.65x-48通道16bit 125MS/s回放速率

• 20、32、40、48通道,40MS/s-125MS/s回放速率

• 所有通道同步

• 输出信号带宽到70MHz

• 50Ω时,输出电平±3.0 V(高阻时±6V)

• 固定的触发输出延时

• 高达128MB内存/通道

• FIFO模式持续回放数据

• 模式:单点循环、FIFO、分段回放、门回放等


DN6.65x系列产品简述

通用型以太网任意波形发生器(Ethernet-AWG)DN6.65x系列支持最多 48 路并行通道上生成任意信号。仪器在分辨率与信号质量两方面,均具备卓越的数模转换(D/A)性能具备高采样率与高分辨率的双重优势,特别适合多通道高精度信号生产的应用。该仪器可部署在局域网(LAN)内的任意位置,并能通过上位机(主机)进行远程操控。


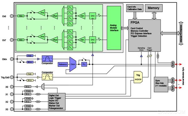
硬件框图


部分测试数据




选型

型号

精度

输出通道/回放速率

内存

DN6.653-24

16bit

24通道 40MS/s

3x512 MSamples

DN6.653-32

16bit

32通道 40MS/s

4x512 MSamples

DN6.653-40

16bit

40通道 40MS/s

5x512 MSamples

DN6.653-48

16bit

48通道 40MS/s

6x512 MSamples

DN6.656-24

16bit

12通道 125MS/s
24通道 80MS/s

3x512 MSamples

DN6.656-32

16bit

16通道 125MS/s
32通道 80MS/s

4x512 MSamples

DN6.656-40

16bit

20通道 125MS/s
40通道 80MS/s

5x512 MSamples

DN6.656-48

16bit

24通道 125MS/s
48通道 80MS/s

6x512 MSamples



更多产品可咨询北京熠新科技有限公司


本文地址:http://www.ca800.com:8002/apply/d_1o6ldtjfeg751_1.html

拷贝地址

版权声明:版权归中国自动化网所有,转载请注明出处!

留言反馈
  • 评价:

  • 关于:

  • 联系人:

  • 联系电话:

  • 联系邮箱:

  • 需求意向:

  • 验证码:

    看不清楚?

  • 在线咨询